MV-ID5200PM-00C-NNN 海康2000万1.1英寸C口黑白工业读码器 分辨率5120×3840 zui大处理帧率20fps zui大读取速度36个码/秒 像元尺寸2.5μm×2.5μm 曝光时间16μs~500ms 增益 1dB~2.5dB 供电12VDC~24VDC 功耗:9W@24VDC 镜头接口C-Mount 透明镜头罩 不含自带光源 金属材质 IP67防护等级 MV-ID5200PM-00C-NNN
MV-ID5200PM-00C-NNN
海康机器人2000万1.1英寸CMOS分辨率5120×3840,C口全局,全功能型黑白工业读码器

MV-ID5200PM-00C-NNN 型号智能读码器,可高速读取多种码制的一维码和二维码,读取速度zui大可达 36 个码/秒。采用 20MP 超大分辨率全局快门 Sensor,灵活搭配 C 口镜头完成超大视野和景深读码。
MV-ID5200PM-00C-NNN 海康机器人2000万1.1英寸CMOS分辨率5120×3840,C口全局,全功能型黑白工业读码器 功能特性:
选用20MP高性能全局快门Sensor,图像质量优异
内置深度学习读码算法,可适应多种复杂工况,鲁棒性强
支持TCP、Serial、FTP、Profinet、Ethernet/IP、MELSEC、Fins等通讯协议
支持棋盘格ROI,可同时读取200个二维码
IP67防护,无惧严苛的工业应用环境
订货型号
MV-ID5200PM-00C-NNN
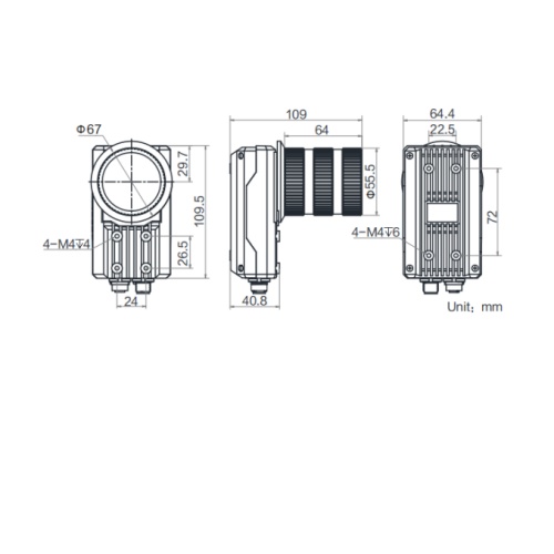
MV-ID5200PM-00C-NNN 海康机器人2000万1.1英寸CMOS分辨率5120×3840,C口全局,全功能型黑白工业读码器 外形尺寸:

MV-ID5200PM-00C-NNN 海康机器人2000万1.1英寸CMOS分辨率5120×3840,C口全局,全功能型黑白工业读码器 视野范围:


*1D zui小分辨率 = 长边视野 / 长边分辨率 × 1。
**2D zui小分辨率 = 长边视野 / 长边分辨率 × 3。
MV-ID5200PM-00C-NNN 海康机器人2000万1.1英寸CMOS分辨率5120×3840,C口全局,全功能型黑白工业读码器 典型应用:
3C
食药品
电子半导体
汽车零配件
新能源
MV-ID5200PM-00C-NNN 海康机器人2000万1.1英寸CMOS分辨率5120×3840,C口全局,全功能型黑白工业读码器 详细技术参数:
型号 型号 MV-ID5200PM-00C-NNN
名称 2000W分辨率,C口全局,全功能型工业读码器
性能 条码类别 一维码:Code 39,Code 93,Code 128,CodaBar,EAN8,EAN13,UPCA,UPCE, ITF14, ITF25, Matrix 25,MSI,China Post,Code 11等
二维码:QR Code,Data Matrix等
堆叠码:PDF417等
zui大处理帧率 20fps
zui大读取速度 36个码/秒
传感器 全局快门,黑白,1.1英寸,2.5μm×2.5μm
分辨率 5120×3840
曝光时间 16μs~500ms
增益 1dB~2.5dB
电气特性 数据接口 Fast Ethernet(1000 Mbit/s)
通讯协议 SmartSDK、TCP Client、Serial、FTP、TCP Server、Profinet、Melsec/SLMP、Ethernet/IP、ModBus、UDP、FINS
数字I/O 12-pin M12接头提供电源和I/O,包含3路光耦隔离输入(LineIn 0/1/2),3路光耦隔离输出(LineOut 3/4/5),1路RS-232输入,1路RS-232输出
供电 12VDC~24VDC
功耗 平均功耗:9W@24VDC
zui大功耗:12W@24VDC
结构 镜头接口 C-Mount
镜头罩 透明镜头罩
光源 不含自带光源
指示灯 电源指示灯PWR,网络指示灯LNK/ACT,用户自定义显示指示灯U1/U2
外壳材质 金属
外形尺寸 109.5mm×64.4mm×109mm
IP防护等级 IP67(正确安装适当镜头防水罩的情况下)
重量 约470g
温度 工作温度0 ~ 50°C,储藏温度-30 ~ 70°C
湿度 20% ~ 95%RH无冷凝
抗振动强度 裸机,10 Hz ~ 55 Hz,全振幅 1.5 mm,X、Y、Z 各方向 2 小时(IEC 60068-2-6:2007\GB/T2423.10-2019)1
抗冲击强度 裸机,30 g / 11 ms,半正弦波,六个轴向,每个轴向 500 次冲击(IEC 60068-2-27\GB/T 2423.5-2019)1
一般规范 软件 IDMVS
CE,RoHS,KC
MV-ID5200PM-00C-NNN 海康机器人2000万1.1英寸CMOS分辨率5120×3840,C口全局,全功能型黑白工业读码器 配件:

MV-ID5200PM-00C-NNN 海康机器人2000万1.1英寸CMOS分辨率5120×3840,C口全局,全功能型黑白工业读码器 可选配:

MV-ID5200PM-00C-NNN 海康2000万1.1英寸C口黑白工业读码器 分辨率5120×3840 zui大处理帧率20fps zui大读取速度36个码/秒 像元尺寸2.5μm×2.5μm 曝光时间16μs~500ms 增益 1dB~2.5dB 供电12VDC~24VDC 功耗:9W@24VDC 镜头接口C-Mount 透明镜头罩 不含自带光源 金属材质 IP67防护等级 MV-ID5200PM-00C-NNN
