MV-CL162-91F2M 海康16384像素3.5μm XoF光口黑白线阵相机 采用16384×2线CMOS Sensor,支持双路XoF光口传输,行频可达120kHz,集成多种zui的新的ISP图像处理技术 提供双路XoF光口,20G高带宽传输 支持2-TDI成像模式 支持双向可配置I/O 动态范围56.7dB 信噪比37dB 曝光时间3μs~10ms 支持水平镜像 外触发,内触发 2LC光纤接口 供电12~24VDC 镜头接口M72*0.75,法兰后焦12mm;可通过转接环转接至F口镜头 IP40防护 MV-CL162-91F2M
MV-CL162-91F2M
海康机器人16384像素,像元尺寸3.5μm,行频可达120kHz,XoF光口黑白工业线阵相机


MV-CL162-91F2M工业线阵相机,采用16384×2线CMOS Sensor,支持双路XoF光口传输,行频可达120kHz,集成多种zui的新的ISP图像处理技术,兼具高速、高、高性能等特点。
MV-CL162-91F2M 海康机器人16384像素,像元尺寸3.5μm,行频可达120kHz,XoF光口黑白工业线阵相机 功能特性:
丰富的ISP图像处理技术,如手动调节Gamma校正、平场校正、LUT、黑电平调节等
提供双路XoF光口,20G高带宽传输
多种灵活的曝光和采集方式,支持2-TDI成像模式,zui高行频可达120kHz
支持双向可配置I/O,输入/输出可灵活配置
结构设计紧凑,正面板和侧面板均有安装孔,可灵活安装
应用行业:
新能源、屏检、3C、PCB、半导体等。
相关配件:
XoF 光口采集卡:MV-GS1002F(不含光模块)
XoF 光口采集卡光模块:MV-AC10G-SFP
XoF 光纤跳线:MV-AC10G-2LC-2LC-ST
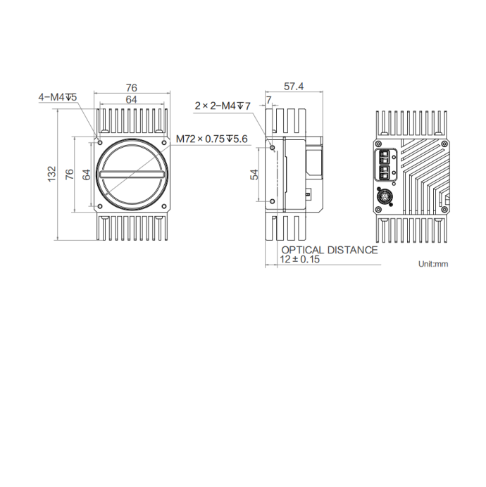
MV-CL162-91F2M 海康机器人16384像素,像元尺寸3.5μm,行频可达120kHz,XoF光口黑白工业线阵相机 外形尺寸:

MV-CL162-91F2M 海康机器人16384像素,像元尺寸3.5μm,行频可达120kHz,XoF光口黑白工业线阵相机 Sensor 响应曲线:

订货型号:
MV-CL162-91F2M
MV-CL162-91F2M 海康机器人16384像素,像元尺寸3.5μm,行频可达120kHz,XoF光口黑白工业线阵相机 技术参数:
型号
参数
MV-CL162-91F2M
16384像素XoF光口黑白工业线阵相机
性能
传感器类型 CMOS
像元尺寸 3.5μm
分辨率 16384×2
成像模式 支持 1-Line,2-TDI
zui大行频 1Link 模式:73.2kHz(1-Line)、60kHz(2-TDI)
2Link模式:120kHz(1-Line)、60kHz(2-TDI)
传输模式 1Link、2Link
动态范围 56.7dB
信噪比 37dB
增益 1.0×
曝光时间 3μs~10ms
快门模式 支持自动曝光、手动曝光、一键曝光、脉冲宽度控制曝光
黑白/彩色 黑白
像素格式 Mono 8/10/12
Binning 1 × 1,1 × 2,1 × 4,2 × 1,2 × 2,2 × 4,4 × 1,4 × 2,4 × 4
镜像 支持水平镜像
触发模式 外触发,内触发
外触发模式 行触发,帧触发,行+帧触发
电气特性
数据接口 2LC光纤接口
数字 I/O 12-pin P10 接头提供供电和 I/O:4 路可配置输入输出(Line 0/1/3/4),支持单端/差分
供电 12~24VDC
典型功耗 10.6W@24VDC
结构
镜头接口 M72*0.75,法兰后焦 12mm;可通过转接环转接至 F 口镜头
外形尺寸 132mm×76mm×57.4mm
重量 约 600g
IP 防护等级 IP40(正确安装镜头以及线缆的情况下)
温度 工作温度-20 ~ 50℃,储藏温度-30 ~ 80℃
湿度 5% ~ 90%RH 无冷凝
一般规范
软件 MVS
操作系统 Windows 7/10 32/64bits,Windows 11 64bits
协议/标准 XoFLink,GenlCam
CE,RoHS,KC
MV-CL162-91F2M 海康16384像素3.5μm XoF光口黑白线阵相机 采用16384×2线CMOS Sensor,支持双路XoF光口传输,行频可达120kHz,集成多种zui的新的ISP图像处理技术 提供双路XoF光口,20G高带宽传输 支持2-TDI成像模式 支持双向可配置I/O 动态范围56.7dB 信噪比37dB 曝光时间3μs~10ms 支持水平镜像 外触发,内触发 2LC光纤接口 供电12~24VDC 镜头接口M72*0.75,法兰后焦12mm;可通过转接环转接至F口镜头 IP40防护 MV-CL162-91F2M
